Electronics - Parallel Circuits
Exercise : Parallel Circuits - General Questions
- Parallel Circuits - General Questions
- Parallel Circuits - True or False
- Parallel Circuits - Filling the Blanks
11.

What would these meter readings indicate about the circuit in the given circuit?
Meter Readings: I = 7.6 mA, V = 12 V
12.

In the given circuit, Channel 1 of the stereo amplifier outputs 12 V to the speakers. How much total power is the amplifier delivering to the speakers?
13.
If a 1 k
and a 2 k
resistor are parallel-connected across a 12 V supply, how much current is received by the 2 k
resistor?
and a 2 k
resistor are parallel-connected across a 12 V supply, how much current is received by the 2 k
resistor?14.

What does VS equal in the given circuit?
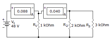
15.
The current through R1 will be:


Quick links
Quantitative Aptitude
Verbal (English)
Reasoning
Programming
Interview
Placement Papers