Digital Electronics - Counters
Exercise : Counters - General Questions
- Counters - General Questions
- Counters - True or False
- Counters - Filling the Blanks
66.
What is the maximum delay that can occur if four flip-flops are connected as a ripple counter and each flip-flop has propagation delays of tPHL = 22 ns and tPLH = 15 ns?
67.
Which of the following statements are true?
68.
Which segments (by letter) of a seven-segment display need to be active in order to display a digit 6?
69.
Which of the following groups of logic devices would be the minimum required for a MOD-64 synchronous counter?
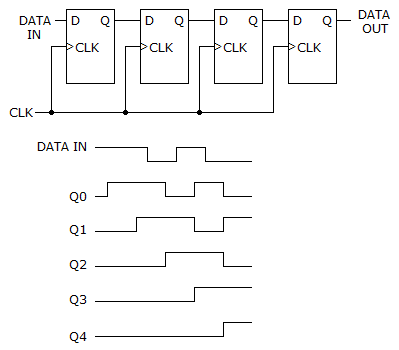
70.
The circuit given below fails to produce data output. The individual flip-flops are checked with a logic probe and pulser, and each checks OK. What could be causing the problem?

Quick links
Quantitative Aptitude
Verbal (English)
Reasoning
Programming
Interview
Placement Papers