Digital Electronics - Counters
Exercise : Counters - General Questions
- Counters - General Questions
- Counters - True or False
- Counters - Filling the Blanks
26.
For a multistage counter to be truly synchronous, the ________ of each stage must be connected to ________.
27.
Which of the following is an invalid output state for an 8421 BCD counter?
28.
How many different states does a 3-bit asynchronous counter have?
29.
A 5-bit asynchronous binary counter is made up of five flip-flops, each with a 12 ns propagation delay. The total propagation delay (tp(tot)) is ________.
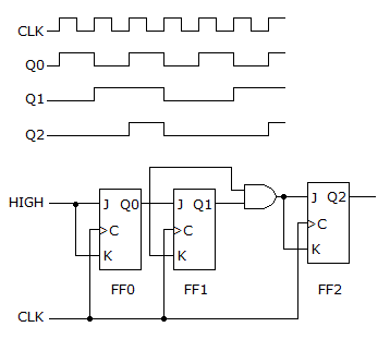
30.
A four-channel scope is used to check the counter in the figure given below. Are the displayed waveforms correct?

Quick links
Quantitative Aptitude
Verbal (English)
Reasoning
Programming
Interview
Placement Papers
, the terminal count output
, both clock input lines