Electronics - Series Circuits
Exercise : Series Circuits - True or False
- Series Circuits - General Questions
- Series Circuits - True or False
- Series Circuits - Filling the Blanks
16.
The sum of all the voltage drops in a series circuit equals the source voltage.
17.
To find the total current in series, add the individual currents.
18.
Ground is the reference point from which voltages are measured in an electronic circuit.
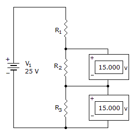
19.
The voltage across R1 is 10 volts.


20.
In a series circuit, the current flowing out of a resistor won't always equal the current flowing into that resistor.
Quick links
Quantitative Aptitude
Verbal (English)
Reasoning
Programming
Interview
Placement Papers